
型号:LCC
| 特点 | ||||||||||
| ◎额定量程: | 10,20,30,50,100,200,300,500kg | |||||||||
| 1,2t | ||||||||||
| ◎适用于空间有限的场合力值的测量和控制 | ||||||||||
| 规格参数 | ||||||||||||||
| 项目 | 内容 | |||||||||||||
| 额定量程 | 10~2000kg | |||||||||||||
| 综合精度 | 0.50% | |||||||||||||
| 灵敏度 | 1.0mV/V | |||||||||||||
| 蠕变 | ±0.05%F·S/30min | |||||||||||||
| 零点输出 | ±1%F·S | |||||||||||||
| 零点温度影响 | ±0.05%F·S/10℃ | |||||||||||||
| 输出温度影响 | ±0.05%F·S/10℃ | |||||||||||||
| 工作温度 | -20℃~+60℃ | |||||||||||||
| 输入阻抗 | 350±20Ω | |||||||||||||
| 输出阻抗 | 350±3Ω | |||||||||||||
| 绝缘电阻 | ≥5000MΩ | |||||||||||||
| 安全过载 | 150%F·S | |||||||||||||
| 供桥电压 | 10V | |||||||||||||
| 材质 | 不锈钢 | |||||||||||||
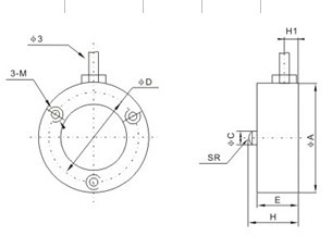
| 外形尺寸(单位:mm) |
![]() | 型号 | 量程 | A | C | D | H | E | M | H1 | SR | |||||
| LCC-10K | 10kg | 20 | 2.5 | 15.5 | 12 | 10 | M3 | 2.7 | 2 | ||||||
| LCC-20K | 20kg | 20 | 2.5 | 15.5 | 12 | 10 | M3 | 2.7 | 2 | ||||||
| LCC-30K | 30kg | 20 | 2.5 | 15.5 | 12 | 10 | M3 | 2.7 | 2 | ||||||
| LCC-50K | 50kg | 20 | 2.5 | 15.5 | 12 | 10 | M3 | 2.7 | 2 | ||||||
| LCC-100K | 100kg | 20 | 2.5 | 15.5 | 12 | 10 | M3 | 2.7 | 2 | ||||||
| LCC-200K | 200kg | 20 | 2.5 | 15.5 | 12 | 10 | M3 | 2.7 | 2 | ||||||
| LCC-300K | 300kg | 26 | 5 | 18.5 | 15 | 11.5 | M4 | 3.5 | 6 | ||||||
| LCC-500K | 500kg | 26 | 5 | 18.5 | 15 | 11.5 | M4 | 3.5 | 6 | ||||||
| LCC-1T | 1t | 26 | 5 | 18.5 | 15 | 11.5 | M4 | 3.5 | 6 | ||||||
| LCC-2T | 2t | 30 | 6 | 20 | 18 | 14 | M4 | 3.5 | 15 | ||||||
联系电话:13480803017 地址:深圳市龙岗区盛平南路33号 粤ICP备16125889号